戻る

51 電子ルーレット

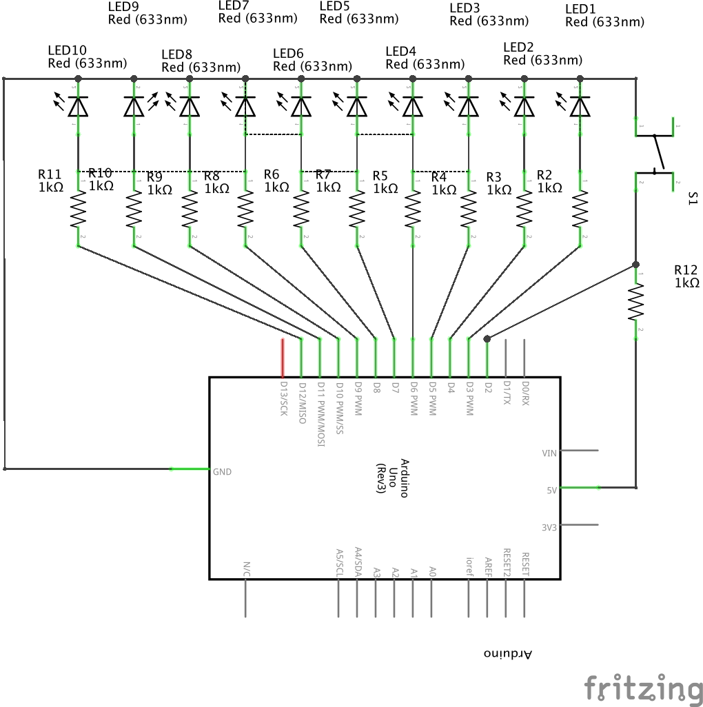
回路かいろ

Arduino と抵抗(1kΩ茶黒赤金, 11本)とスイッチを用意し図のように配線します。 できればLEDを円形に並べるとルーレットの雰囲気が出ます。

プログラム

動作どうさ

このプログラムを実行している間にスイッチを押すと電子ルーレットがスタートします。 毎回違うところに止まります。

解説かいせつ

このプログラムは大きく分けると5つに分かれています。

  1. (青)スイッチが押されるまで待つ
  2. (緑)点灯したままのLEDを消す(2回目以降)。乱数で3から12を出す。
  3. (赤)20回+乱数(【乱数】ブロックを使用)の回数だけ、50ミリ秒LEDを点灯、50ミリ秒LEDを消灯を3番につながったLEDから順に繰り返す。
  4. (水色)最後に点灯したLEDの番号より、iの数はforループを抜けたときに1大きいので、1引く。最後のLEDを2回点滅して、最後に点灯したままにして終了。
1から4を【くりかえし(for)】ブロックで繰り返しています。


戻る
(c) 2014-2015 N. Mitsunaga, A.Sugimoto
サンプルプログラムの著作権は放棄します。fritzingで作成した図は、そちらのライセンスに従って再配布して構いません。